Podłączenie sterownika do roweru elektrycznego to kluczowy krok, który decyduje o prawidłowym działaniu całego systemu. Właściwe połączenie nie tylko zapewnia bezpieczeństwo, ale także optymalizuje wydajność roweru. W tym artykule omówimy, jak poprawnie podłączyć sterownik, unikając najczęstszych błędów, które mogą prowadzić do problemów.
Ważne jest, aby przestrzegać instrukcji dostarczonych przez producenta, ponieważ różne modele sterowników mogą mieć różne wymagania. Na przykład, sterownik CHINOL wymaga podłączenia takich linii jak learning plug, power switch, auxiliary power oraz meter plug. Zrozumienie tych szczegółów pomoże Ci w uniknięciu frustracji podczas instalacji.
Kluczowe informacje:- Wybór odpowiedniego sterownika jest kluczowy dla kompatybilności z rowerem.
- Dokładne przygotowanie narzędzi i materiałów przed instalacją ułatwia proces podłączenia.
- Podłączenie kabli powinno być zgodne z instrukcjami, aby uniknąć błędów.
- Znajomość najczęstszych błędów przy instalacji pozwala na ich uniknięcie.
- Testowanie działania sterownika po podłączeniu jest niezbędne dla zapewnienia bezpieczeństwa.
Jak wybrać odpowiedni sterownik do roweru elektrycznego - kluczowe wskazówki
Wybór odpowiedniego sterownika do roweru elektrycznego jest kluczowy dla jego wydajności i bezpieczeństwa. Istnieje wiele czynników, które należy wziąć pod uwagę, takich jak typ sterownika, moc oraz marka. Każdy z tych elementów wpływa na to, jak dobrze sterownik będzie współpracował z innymi komponentami roweru. Dlatego warto poświęcić czas na zrozumienie, co jest najważniejsze przy zakupie.Najbardziej istotne jest, aby dopasować sterownik do specyfikacji silnika i akumulatora. Wybierając sterownik, zwróć uwagę na moc nominalną, która powinna być zgodna z wymaganiami silnika. Różne typy sterowników, takie jak te z funkcją detekcji prędkości, mogą znacząco wpłynąć na komfort jazdy. Dobrze znane marki, takie jak Bafang czy CHINOL, oferują różne modele, które mogą odpowiadać Twoim potrzebom.
Rodzaje sterowników - co musisz wiedzieć przed zakupem
Na rynku dostępne są różne rodzaje sterowników do rowerów elektrycznych, które różnią się funkcjonalnością i sposobem działania. Można wyróżnić sterowniki z czujnikami oraz sterowniki bezczujnikowe. Sterowniki z czujnikami monitorują prędkość i moc, co pozwala na płynniejsze przyspieszanie i lepszą kontrolę nad rowerem. Z kolei sterowniki bezczujnikowe są prostsze w konstrukcji, co często przekłada się na niższe koszty.
| Typ sterownika | Zalety | Wady |
|---|---|---|
| Sterownik z czujnikami | Lepsza kontrola prędkości, płynne przyspieszanie | Wyższa cena, bardziej skomplikowana instalacja |
| Sterownik bezczujnikowy | Niższa cena, prostsza konstrukcja | Gorsza kontrola prędkości, mniejsza wydajność |
Wybór sterownika a kompatybilność z rowerem - uniknij problemów
Aby podłączyć sterownik do roweru elektrycznego w sposób prawidłowy, niezwykle istotne jest, aby upewnić się, że jest on kompatybilny z systemem roweru, w tym silnikiem i akumulatorem. Sprawdzanie specyfikacji technicznych obu komponentów pozwala uniknąć wielu problemów, które mogą pojawić się podczas użytkowania. Niezgodność pomiędzy sterownikiem a innymi elementami roweru może prowadzić do nieprawidłowego działania lub nawet uszkodzenia sprzętu.
Warto zwrócić uwagę na parametry takie jak napięcie, moc oraz typ złącza. Na przykład, jeśli sterownik wymaga napięcia 36V, a akumulator ma wartość 48V, to nie tylko nie będzie działał, ale może również spowodować uszkodzenie. Dlatego przed zakupem zawsze sprawdzaj kompatybilność sterownika z innymi komponentami swojego roweru elektrycznego.
- Różnice w napięciu między sterownikiem a akumulatorem mogą prowadzić do uszkodzenia systemu.
- Typ złącza musi być zgodny z gniazdem w silniku oraz akumulatorze.
- Nieodpowiednia moc sterownika może skutkować niewystarczającą wydajnością lub przeciążeniem.
- Sprawdź, czy sterownik obsługuje funkcje, które są istotne dla Twojego modelu roweru, np. wspomaganie pedałowania.
- Upewnij się, że sterownik jest zaprojektowany do pracy z Twoim typem silnika (np. bezszczotkowy lub szczotkowy).
Czytaj więcej: Jakie ciśnienie w rowerze MTB zapewni bezpieczeństwo i komfort?
Przygotowanie do instalacji - narzędzia i materiały, które potrzebujesz
Aby prawidłowo podłączyć sterownik do roweru elektrycznego, ważne jest, aby mieć odpowiednie narzędzia i materiały. Zgromadzenie wszystkiego, co potrzebne, przed rozpoczęciem pracy, ułatwi cały proces i zminimalizuje ryzyko popełnienia błędów. Do podstawowych narzędzi należy wkrętak, szczypce, a także multimeter do pomiaru napięcia i oporu. Warto również mieć pod ręką taśmę izolacyjną oraz złączki, które mogą być potrzebne do połączeń kablowych.
Oprócz narzędzi, istnieją również kluczowe materiały, które powinny być przygotowane przed instalacją. Na przykład, odpowiednie przewody o odpowiedniej grubości są niezbędne do podłączenia sterownika z innymi komponentami roweru. W zależności od modelu sterownika, mogą być potrzebne również dodatkowe złącza, takie jak złącza XT60 czy Anderson Powerpole. Upewnij się, że wszystkie materiały są zgodne z wymaganiami technicznymi Twojego modelu.
- Wkrętak krzyżakowy i płaski - do montażu oraz demontażu elementów.
- Szczypce - do formowania i cięcia przewodów.
- Multimeter - do sprawdzania napięcia i ciągłości obwodu.
- Taśma izolacyjna - do zabezpieczania połączeń elektrycznych.
- Przewody o odpowiedniej grubości - do podłączenia sterownika z innymi komponentami.
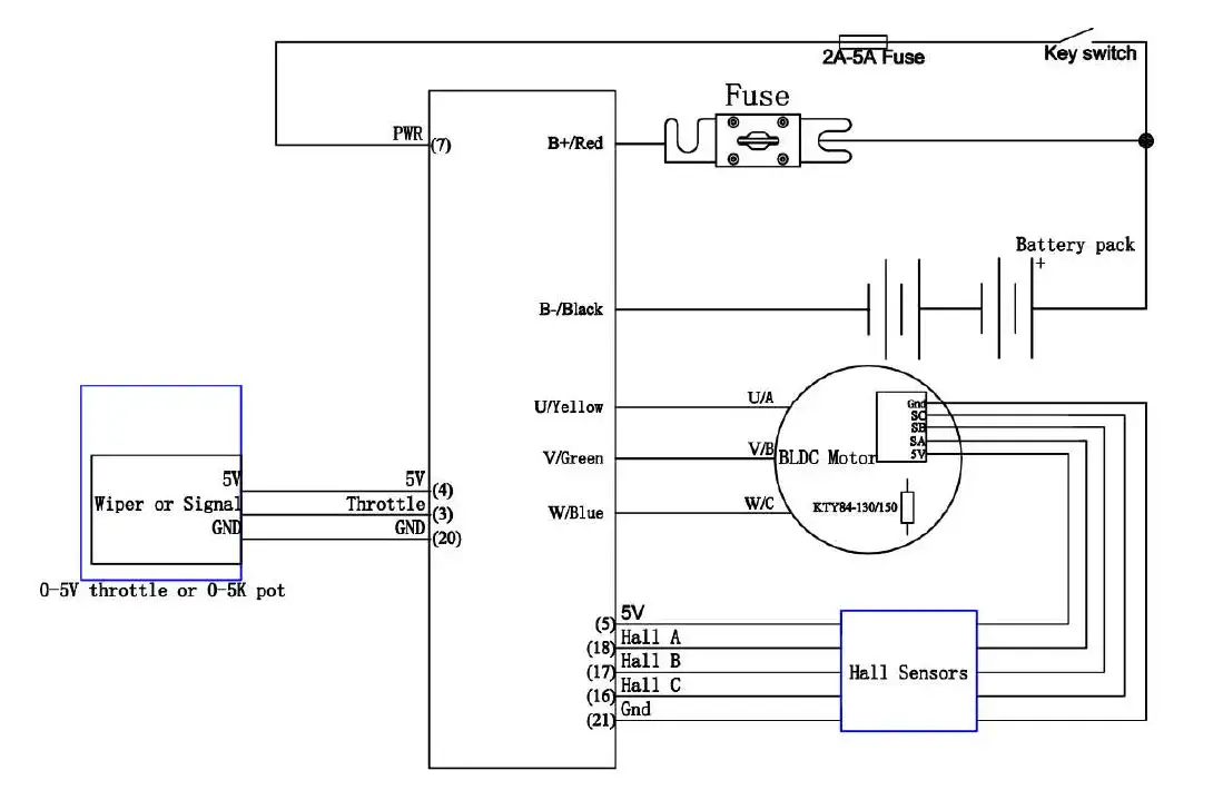
Podłączenie kabli - szczegółowy opis i schematy
Podłączenie kabli to kluczowy etap w procesie instalacji sterownika. Każdy przewód musi być podłączony zgodnie z instrukcjami producenta, aby zapewnić prawidłowe działanie systemu. Zazwyczaj sterownik będzie miał kilka przewodów, takich jak learning plug, power switch, auxiliary power oraz meter plug. Ważne jest, aby dokładnie sprawdzić, które przewody są odpowiedzialne za konkretne funkcje i jak powinny być połączone z innymi komponentami roweru.
Warto również zwrócić uwagę na kolory przewodów, które mogą różnić się w zależności od producenta. Na przykład, przewód zasilający może być czerwony, a przewód uziemiający czarny. Użycie diagramów lub schematów dostarczonych przez producenta pomoże w prawidłowym podłączeniu. Przykładowy schemat może przedstawiać, jak podłączyć przewody do silnika, akumulatora oraz wyświetlacza, co znacznie ułatwi cały proces.
Jak uniknąć najczęstszych błędów podczas instalacji - praktyczne porady
Podczas instalacji sterownika do roweru elektrycznego, wiele osób popełnia błędy, które mogą prowadzić do problemów z działaniem systemu. Kluczowe jest, aby dokładnie przestrzegać instrukcji oraz zwracać uwagę na szczegóły, które mogą wydawać się nieistotne. Na przykład, niewłaściwe podłączenie przewodów może spowodować, że system nie będzie działał prawidłowo lub w ogóle się nie uruchomi. Dlatego warto znać najczęstsze pułapki, aby ich uniknąć.
Jednym z najczęstszych błędów jest ignorowanie kolorów przewodów, które mogą różnić się w zależności od producenta. Zawsze należy upewnić się, że przewody są podłączone zgodnie z instrukcjami, a nie na podstawie intuicji. Innym problemem jest niedostateczne zabezpieczenie połączeń, co może prowadzić do zwarć. Regularne sprawdzanie połączeń oraz ich izolacja to kluczowe kroki, które mogą zapobiec wielu problemom.
Błędy w podłączeniu - co robić, aby ich uniknąć
Podczas podłączania kabli do sterownika, istnieje kilka typowych błędów, które warto mieć na uwadze. Po pierwsze, nieprawidłowe podłączenie przewodów zasilających może prowadzić do uszkodzenia zarówno sterownika, jak i akumulatora. Po drugie, użycie niewłaściwych złączek lub kabli o niewłaściwej grubości może skutkować spadkiem wydajności lub nawet pożarem. Zawsze sprawdzaj, czy używasz odpowiednich komponentów i czy są one zgodne z wymaganiami technicznymi.
- Upewnij się, że kolory przewodów są zgodne z instrukcjami producenta.
- Sprawdź, czy używasz odpowiednich złączek do podłączenia kabli.
- Nie ignoruj zabezpieczeń, takich jak taśma izolacyjna, aby uniknąć zwarć.
- Regularnie kontroluj połączenia, aby upewnić się, że są stabilne.
- Unikaj podłączania przewodów na siłę, ponieważ może to prowadzić do ich uszkodzenia.

Problemy z zasilaniem - jak je rozwiązać i zapobiec
Podczas użytkowania roweru elektrycznego mogą wystąpić różne problemy z zasilaniem, które wpływają na wydajność i bezpieczeństwo jazdy. Często spotykane są sytuacje, w których sterownik nie działa prawidłowo z powodu niewłaściwego napięcia lub uszkodzenia akumulatora. Ważne jest, aby regularnie sprawdzać stan akumulatora oraz połączenia, aby upewnić się, że wszystko działa poprawnie. Niewłaściwe podłączenie przewodów zasilających może prowadzić do poważnych usterek, dlatego należy zachować szczególną ostrożność.
Innym częstym problemem jest nagłe wyłączanie się systemu, co może być spowodowane przegrzaniem sterownika lub akumulatora. Warto zainwestować w systemy ochrony przed przegrzaniem i przeciążeniem, które automatycznie wyłączają zasilanie w przypadku wystąpienia nieprawidłowości. Dobrą praktyką jest także monitorowanie napięcia akumulatora, aby uniknąć sytuacji, w której zasilanie nagle się kończy podczas jazdy.Jak testować działanie sterownika po podłączeniu - zapewnij bezpieczeństwo
Po zakończeniu instalacji sterownika, niezbędne jest przeprowadzenie testów, aby upewnić się, że wszystko działa poprawnie. Zaczynając od wizualnej inspekcji połączeń, należy upewnić się, że wszystkie przewody są dobrze podłączone i nie ma widocznych uszkodzeń. Następnie warto uruchomić system i obserwować, czy nie występują żadne nieprawidłowości, takie jak migające kontrolki czy nieprawidłowe wskazania na wyświetlaczu.
W przypadku wykrycia jakichkolwiek problemów, warto skorzystać z multimetru do pomiaru napięcia na różnych komponentach. Umożliwi to zidentyfikowanie, czy problem leży w sterowniku, akumulatorze, czy w połączeniach. Regularne testowanie i konserwacja systemu zasilania są kluczowe dla zapewnienia bezpieczeństwa i długowieczności roweru elektrycznego.
Jak dbać o długowieczność systemu zasilania w rowerze elektrycznym
Aby zapewnić długowieczność systemu zasilania w rowerze elektrycznym, warto wprowadzić kilka dodatkowych praktyk, które nie tylko zwiększą żywotność komponentów, ale także poprawią ich wydajność. Regularne kalibracje akumulatora są kluczowe; zaleca się przeprowadzanie pełnych cykli ładowania i rozładowania przynajmniej raz na kilka miesięcy. Taki proces pozwala na optymalne wykorzystanie pojemności akumulatora oraz zapobiega jego degradacji.
Dodatkowo, warto zainwestować w systemy monitorowania stanu akumulatora i sterownika. Nowoczesne aplikacje mobilne i urządzenia monitorujące mogą informować użytkowników o napięciu, temperaturze oraz stanie naładowania akumulatora w czasie rzeczywistym. Dzięki tym informacjom można szybko reagować na wszelkie nieprawidłowości, co znacząco zwiększa bezpieczeństwo i komfort jazdy. W przyszłości, zintegrowane systemy zarządzania energią będą mogły dostosowywać parametry pracy roweru w czasie rzeczywistym, co jeszcze bardziej poprawi efektywność i wydajność jazdy.
